1. Light oil burner.
2.Two-stage operation (high/low flame).
3.High pressure mechanical atomisation of fuel using nozzle.
4.Ability to obtain optimal combustion values by regulating combustion air and blast-pipe.
5.Hinged connection,autonatie open comtrol, maintenance is convenient.
6. Air flow regulation for first and second stage by means of hydraulic regulator.
7.It adapts one flange and heat-resistance insulated pad to connect with boiler.
8. Combustion air intake with air flow adjustment device.
9. Burner air inlet using sound attenuation design.
10.Adjustable blast-pipe with stainless steel nozzle and deflector disk in steel.
11.Three-phase motor drives the fan and pump.
12.Flame presence check by photoresistance.
13.Electrical plant protection rating Ip40.
Products
BTN85/120/150LRTwo-stage Light Oil Burner
Product Model
BTN85LR


| power | Model | Art No. | Max Viscldity | Power supply |
Motor power
kW |
packing Size
L x P x H mm |
Net weight
kg |
| 255~830 | BTN85LR | 202 20 025 | 1.5 | 380V 50Hz | 1.1 | 1000x1010x755 | 60 |
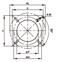
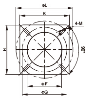
| Model | A | B | C | D | E | F | G | H | K | L | M |
| mm | mm | mm | mm | Φmm | Φmm | Φmm | mm | mm | Φmm | M | |
| BTN85LR | 636 | 588 | 1060 | 250 | 180 | 190 | 290 | 320 | 320 | 370 | 4-M12 |
BTN120LR


| power | Model | Art No. | Max Viscldity | Power supply |
Motor power
kW |
packing Size
L x P x H mm |
Net weight
kg |
| 356~1186 | BTN120LR | 202 20 026 | 1.5 | 380V 50Hz | 1.5 | 1000x1010x755 | 63 |
| Model | A | B | C | D | E | F | G | H | K | L | M |
| mm | mm | mm | mm | Φmm | Φmm | Φmm | mm | mm | Φmm | M | |
| BTN120LR | 663 | 588 | 1060 | 250 | 180 | 190 | 290 | 320 | 320 | 370 | 4-M12 |
BTN150LR


| power | Model | Art No. | Max Viscldity | Power supply |
Motor power
kW |
packing Size
L x P x H mm |
Net weight
kg |
| 486~1540 | BTN150LR | 202 20 027 | 1.5 | 380V 50Hz | 2.2 | 1000x1010x755 | 66 |
| Model | A | B | C | D | E | F | G | H | K | L | M |
| mm | mm | mm | mm | Φmm | Φmm | Φmm | mm | mm | Φmm | M | |
| BTN150LR | 663 | 588 | 1090 | 280 | 190 | 200 | 290 | 320 | 320 | 370 | 4-M12 |






