1. Gas-fired burner.
2.One-stage sliding/modulating working.
3.Air-gas mixing at blast-pipe.
4.Ability to obtain optimal combustion values by regulating combustion air and blast-pipe.
5.Do not need to remove the installation of flange and combustion cylinder,it can be directly removed burner
6. The air flow is adjusted by man in one stage fire burner.
7. The sliding /modulation type has servo motor with cam,it can control air and fuel supply at the same time.When burner pauses,close air damper for heating loss.
8.Using a flange and high temperature resistant heat insulation pads connected to the boiler
9.Combustion air intake with air flow adjustment device.
10.Momophase electric motor to run fan.
11.Flame presence check by ionisation electrode.
12.Electrical plant protection rating Ip40
13.Plastic protection cover.
14.Air inlet with quieter.
Products
BTN15/20/30G/GCOne-stage Sliding/Modulatig Gas Burner
Product Model
BTN15G/GC


| power | Model | Power supply |
Motor power
kW |
packing Size
L x P x H mm |
Net weight
kg |
| 50 ~160 | BTN15G/GC | 230V 50Hz | 0.2 | 525x375x365 | 12 |
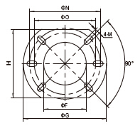
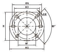
| Model | A | B | C | D | E | F | G | H | B1 | K | L | O | N | M |
| mm | mm | mm | mm | Φmm | Φmm | Φmm | mm | mm | mm | mm | Φmm | Φmm | M | |
| BTN15G/GC | 290/420 | 302/348 | 433 | 160 | 114 | 124 | 220 | 195 | 70/144 | 72 | G1" | 160 | 190 | 4-M8 |
BTN20G/GC


| power | Model | Power supply |
Motor power
kW |
packing Size
L x P x H mm |
Net weight
kg |
| 60 ~205 | BTN20G/GC | 230V 50Hz | 0.2 | 525x375x365 | 12 |
| Model | A | B | C | D | E | F | G | H | B1 | K | L | O | N | M |
| mm | mm | mm | mm | Φmm | Φmm | Φmm | mm | mm | mm | mm | Φmm | Φmm | M | |
| BTN20G/GC | 290/420 | 302/348 | 433 | 160 | 125 | 135 | 220 | 195 | 70/144 | 72 | G1" | 160 | 190 | 4-M8 |
BTN30G/GC


| power | Model | Power supply |
Motor power
KW |
packing Size
L x P x H mm |
Net weight
Kg |
| 100~280 | BTN30G/GC | 230V 50Hz | 0.25 | 525x375x365 | 12.5 |
| Model | A | B | C | D | E | F | G | H | B1 | K | L | O | N | M |
| mm | mm | mm | mm | Φmm | Φmm | Φmm | mm | mm | mm | mm | Φmm | Φmm | M | |
| BTN30G/GC | 290/420 | 302/348 | 433 | 160 | 125 | 135 | 220 | 195 | 70/144 | 72 | G1" | 160 | 190 | 4-M8 |






