1. Gas-fired burner.
2. Two-stage sliding/modulating working.
3. Air-gas mixing at blast-pipe.
4. Ability to obtain optimal combustion values by regulating combustion air and blast-pipe.
5. The hinge connection, can be opened naturally.
6. Maintenance facilitated by the fact that the atomisation unit can be removed without having to remove the burner from the boiler.
7. Two stage Minimum and maximum air flow regulation for first and second stage by means of electric servomotor with pause closure of gate to prevent any heat dispersion to flue.
8. Sliding/modulating The servo motor which fixed with a cam can adjust the consumption for fuel and air.
9. One flange and one insulating seal for boiler fastening.
10.Combustion air intake with air flow adjustment device.
11.Sliding boiler coupling flange to adapt to head protrusion of the various types of boilers.
12.Three-phase electric motor to run fan.
13.Flame presence check by ionisation electrode.
14.Electrical plant protection rating IP40

| power | Model | Power supply |
Motor power
kW |
packing Size
L x P x H mm |
Net weight
kg |
| 490~2500 | BT250GR/GC | 380V 50Hz | 7.5 | 1620x1200x960 | 210/220 |
| Model | A | B1 | B2 | C | D | E | F | N | L | I | 圖號(hào) | M |
| mm | mm | mm | mm | mm | Φmm | Φmm | Φmm | Φmm | mm | Drawing NO. | M | |
| BT250GR/GC | 875/905 | 570 | 200/167 | 1850 | 300~600 | 320 | 219 | 230 | 339 | 400 | 圖1 | 4-M16 |

| power | Model | Power supply |
Motor power
kW |
packing Size
L x P x H mm |
Net weight
kg |
| 657~2982 | BT300GR/GC | 380V 50Hz | 7.5 | 1620x1200x960 | 208/218 |
| Model | A | B1 | B2 | C | D | E | F | N | L | I | 圖號(hào) | M |
| mm | mm | mm | mm | mm | Φmm | Φmm | Φmm | Φmm | mm | Drawing NO. | M | |
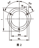
| BT300GR/GC | 875/905 | 570 | 200/167 | 1850 | 275~465 | 356 | 273 | 365 | 462~520 | 550 | 圖2 | 3-M20 |

| power | Model | Power supply |
Motor power
kW |
packing Size
L x P x H mm |
Net weight
kg |
| 924~3500 | BT350GR/GC | 380V 50Hz | 7.5 | 1620x1200x960 | 221/248 |
| Model | A | B1 | B2 | C | D | E | F | N | L | I | 圖號(hào) | M |
| mm | mm | mm | mm | mm | Φmm | Φmm | Φmm | Φmm | mm | Drawing NO. | M | |
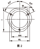
| BT350GR/GC | 880/905 | 570 | 200/167 | 1850 | 275~465 | 356 | 273 | 365 | 462~520 | 550 | 圖2 | 3-M20 |






